Звонок по г. Хабаровск с 9:00 до 18:00
Компания
Покупателям
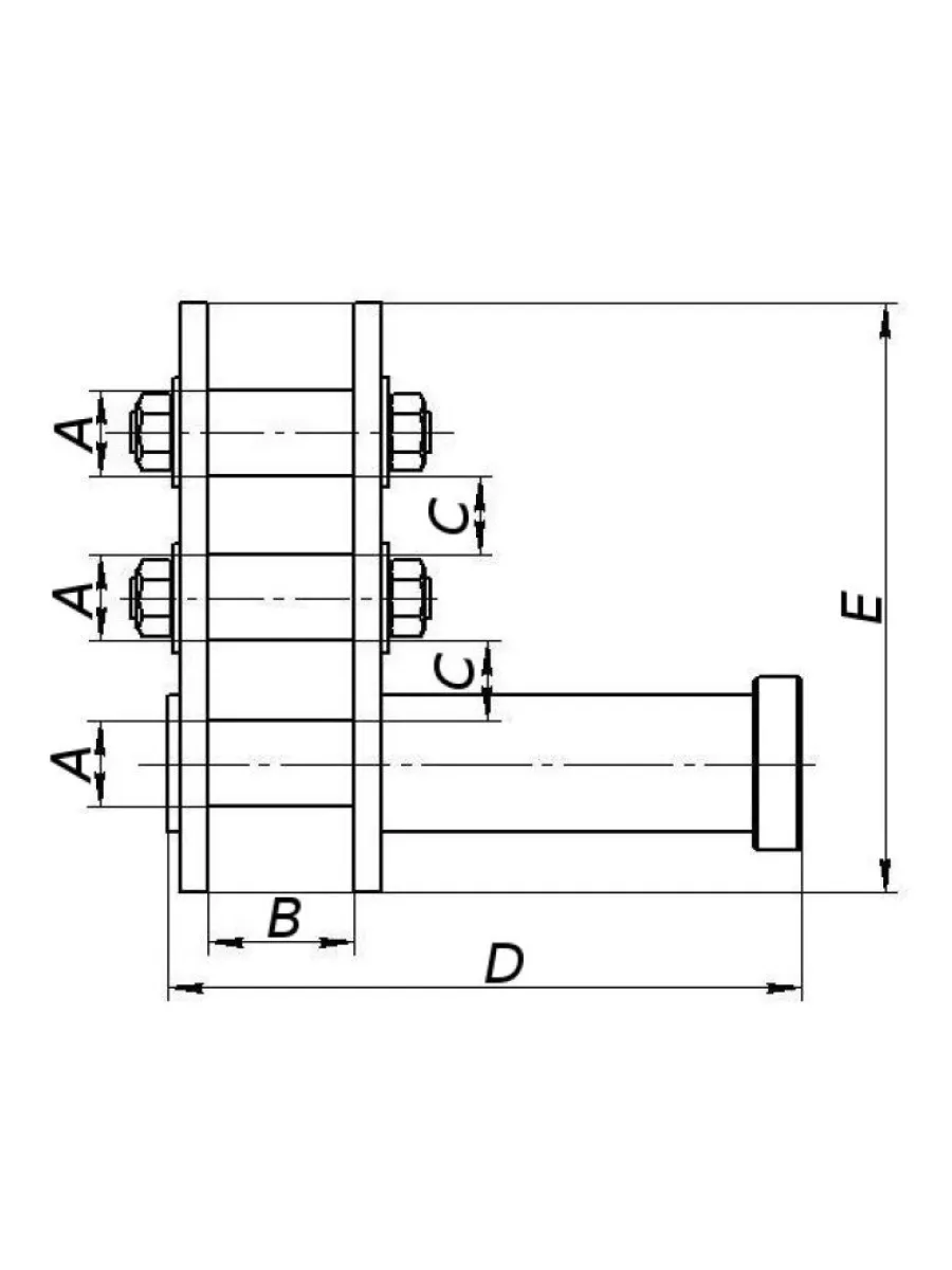
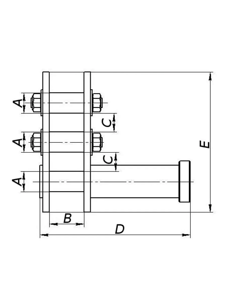
Обозначение ЗЗС-2,0
Г/п 2,0 тн
A 25 мм
B 45 мм
C 35 мм
D 240 мм
E 175 мм
Назначение
Захват замок Смаля не является самостоятельным грузозахватным приспособлением и используется совместно со стропами. Замок Смаля удобен при расстроповке грузов на расстоянии в стесненном по габариту пространстве и труднодоступных для стропальщика местах (например на высоте).
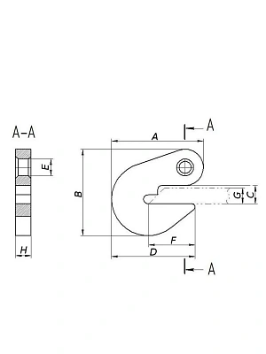
Конструкция
Замок Смаля представляет собой штырево-строповый механизм. Применяется совместно с различными видами строп (канатными, текстильными, цепными) в качестве захватного органа. Штыревой замок расположен между щеками с дополнительными разборными пальцами.
Строповка грузов производится методом обвязки «удавка», либо за предусмотренные в конструкции груза технологические отверстия, проушины. Расстроповка происходит дистанционно, посредством оттягивания подвижного штыря с помощью оттяжки.